ANSI sprocket is for A series roller chain. Please find 80-160 sprocket dimensions here. Let us know if you are looking for sprocket bigger than 160, such as 200, 240, we could provide that too.
1. ANSI B 80 típusú lánckerék (16A-1-2)
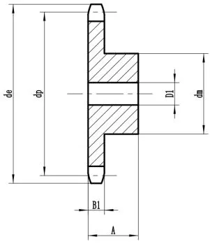
| z | de | dp | SIMPLEX | DUPLEX | ANSI 80 | ||||||||
| dm | D1 | A | Kg | dm | D2 | A | Kg | 16A-1-2 | |||||
| 8 | 77.90 | 66.37 | 42 | 16 | 35 | 0.47 | Sprocket | mm | |||||
| 9 | 85.80 | 74.27 | 50 | 16 | 35 | 0.65 | A fog sugara r3 | 27 | |||||
| 10 | 93.80 | 82.19 | 55 | 16 | 35 | 0.82 | 56 | 16 | 65 | Sugárszélesség C | 3.2 | ||
| 11 | 101.70 | 90.14 | 61 | 16 | 40 | 1.13 | 64 | 20 | 70 | 2.06 | Fogszélesség B1 | 14.7 | |
| 12 | 109.70 | 98.14 | 69 | 16 | 40 | 1.42 | 72 | 20 | 70 | Fogszélesség b1 | 14.1 | ||
| 13 | 117.70 | 106.12 | 78 | 16 | 40 | 1.77 | 80 | 20 | 70 | 3.22 | Fogszélesség B2 | 43.4 | |
| 14 | 125.70 | 114.15 | 84 | 16 | 40 | 2.07 | 88 | 20 | 70 | 3.82 | Lánc | mm | |
| 15 | 133.70 | 122.17 | 92 | 16 | 40 | 2.46 | 96 | 20 | 70 | 4.51 | Hangmagasság | 25.4 | |
| 16 | 141.80 | 130.20 | 100 | 20 | 45 | 3.13 | 104 | 20 | 70 | 5.17 | Belső szélesség | 15.88 | |
| 17 | 149.80 | 138.22 | 100 | 20 | 45 | 3.34 | 112 | 20 | 70 | 5.97 | Roller Φ | 15.88 | |
| 18 | 157.80 | 146.28 | 100 | 20 | 45 | 3.55 | 120 | 20 | 70 | 6.84 |
| ||
| 19 | 165.90 | 154.33 | 100 | 20 | 45 | 3.78 | 128 | 20 | 70 | 7.75 | |||
| 20 | 173.90 | 162.38 | 100 | 20 | 45 | 4.02 | 130 | 20 | 70 | 8.43 | |||
| 21 | 182.00 | 170.43 | 110 | 20 | 50 | 5.01 | 130 | 20 | 70 | 9.10 | |||
| 22 | 190.10 | 178.48 | 110 | 20 | 50 | 5.26 | 130 | 25 | 70 | ||||
| 23 | 198.10 | 186.53 | 110 | 20 | 50 | 5.56 | 130 | 25 | 70 | ||||
| 24 | 206.20 | 194.59 | 110 | 20 | 50 | 5.85 | 130 | 25 | 70 | 11.36 | |||
| 25 | 214.20 | 202.66 | 110 | 20 | 50 | 6.16 | 130 | 25 | 70 | ||||
| 26 | 222.30 | 210.72 | 120 | 20 | 50 | 6.96 | 130 | 25 | 70 | ||||
| 27 | 230.40 | 218.79 | 120 | 20 | 50 | 7.29 | 130 | 25 | 70 | ||||
| 28 | 238.40 | 226.85 | 120 | 20 | 50 | 7.64 | 130 | 25 | 70 | ||||
| 29 | 246.50 | 234.92 | 120 | 20 | 50 | 7.78 | 130 | 25 | 70 | ||||
| 30 | 254.60 | 243.00 | 120 | 20 | 50 | 7.96 | 130 | 25 | 70 | ||||
| 31 | 262.60 | 251.08 | 120 | 25 | 50 | 8.11 | 140 | 25 | 70 | 18.25 | |||
| 32 | 270.70 | 259.13 | 120 | 25 | 50 | 8.55 | 140 | 25 | 70 | ||||
| 33 | 278.80 | 267.21 | 120 | 25 | 50 | 140 | 25 | 70 | |||||
| 34 | 286.90 | 275.28 | 120 | 25 | 50 | 9.92 | 140 | 25 | 70 | ||||
| 35 | 294.90 | 283.36 | 120 | 25 | 50 | 10.36 | 140 | 25 | 70 | ||||
| 36 | 303.00 | 291.44 | 120 | 25 | 50 | 140 | 25 | 70 | |||||
| 37 | 311.10 | 299.51 | 120 | 25 | 50 | 140 | 25 | 70 | 24.83 | ||||
| 38 | 319.20 | 307.59 | 120 | 25 | 50 | 11.75 | 140 | 25 | 70 | ||||
| 39 | 327.20 | 315.67 | 120 | 25 | 50 | 140 | 25 | 70 | |||||
| 40 | 335.30 | 323.73 | 120 | 25 | 50 | 140 | 25 | 70 | |||||
| 42 | 353.70 | 339.90 | 120 | 25 | 50 | 140 | 25 | 70 | |||||
| 45 | 377.90 | 364.12 | 120 | 25 | 50 | 140 | 25 | 70 | |||||
| 48 | 402.10 | 388.36 | 120 | 25 | 50 | 140 | 25 | 70 | |||||
| 50 | 418.30 | 404.52 | 130 | 30 | 50 | 140 | 25 | 70 | |||||
| 54 | 450.60 | 436.85 | 130 | 30 | 50 | 150 | 25 | 85 | |||||
| 57 | 474.90 | 461.07 | 130 | 30 | 50 | 150 | 25 | 85 | |||||
| 60 | 499.10 | 485.32 | 130 | 30 | 50 | 150 | 25 | 85 | |||||
| 76 | 628.40 | 614.65 | 140 | 30 | 68 | 160 | 25 | 90 | |||||
2. ANSI B 100 típusú lánckerék (20A-1-2)
| z | de | dp | SIMPLEX | DUPLEX | ANSI 100 | ||||||||
| dm | D1 | A | Kg | dm | D2 | A | Kg | 20A-1-2 | |||||
| 8 | 96.0 | 82.96 | 53 | 20 | 40 | 0.85 | 53 | 20 | 75 | Sprocket | mm | ||
| 9 | 106.5 | 92.84 | 63 | 20 | 40 | 1.18 | 63 | 20 | 75 | A fog sugara r3 | 33.5 | ||
| 10 | 117.0 | 102.74 | 70 | 20 | 40 | 1.57 | 70 | 20 | 75 | Sugárszélesség C | 4 | ||
| 11 | 127.0 | 112.68 | 77 | 20 | 45 | 2.04 | 80 | 25 | 80 | Fogszélesség B1 | 17.7 | ||
| 12 | 137.0 | 122.68 | 88 | 20 | 45 | 2.58 | 90 | 25 | 80 | Fogszélesség b1 | 17.1 | ||
| 13 | 147.5 | 132.65 | 98 | 20 | 45 | 3.15 | 100 | 25 | 80 | Fogszélesség B2 | 52.9 | ||
| 14 | 157.6 | 142.68 | 108 | 20 | 45 | 3.78 | 110 | 25 | 80 | Lánc | mm | ||
| 15 | 167.7 | 152.72 | 118 | 20 | 45 | 4.47 | 120 | 25 | 80 | Hangmagasság | 31.75 | ||
| 16 | 177.7 | 162.75 | 120 | 25 | 50 | 5.25 | 120 | 30 | 80 | Belső szélesség | 19.05 | ||
| 17 | 187.7 | 172.78 | 120 | 25 | 50 | 5.61 | 120 | 30 | 80 | Roller Φ | 19.05 | ||
| 18 | 197.8 | 182.85 | 120 | 25 | 50 | 5.99 | 120 | 30 | 80 |
| |||
| 19 | 207.9 | 192.91 | 120 | 25 | 50 | 6.40 | 120 | 30 | 80 | ||||
| 20 | 217.9 | 202.98 | 120 | 25 | 50 | 6.82 | 120 | 30 | 80 | ||||
| 21 | 228.0 | 213.04 | 140 | 25 | 55 | 8.79 | 140 | 30 | 80 | ||||
| 22 | 238.1 | 223.11 | 140 | 25 | 55 | 9.27 | 140 | 30 | 80 | ||||
| 23 | 248.2 | 233.17 | 140 | 25 | 55 | 9.77 | 140 | 30 | 80 | ||||
| 24 | 258.3 | 243.23 | 140 | 25 | 55 | 10.30 | 140 | 30 | 80 | ||||
| 25 | 268.4 | 253.33 | 140 | 25 | 55 | 10.85 | 140 | 30 | 80 | ||||
| 26 | 278.4 | 263.40 | 150 | 30 | 55 | 150 | 30 | 80 | |||||
| 27 | 288.5 | 273.48 | 150 | 30 | 55 | 150 | 30 | 80 | |||||
| 28 | 298.5 | 283.56 | 150 | 30 | 55 | 150 | 30 | 80 | |||||
| 29 | 308.6 | 293.65 | 150 | 30 | 55 | 150 | 30 | 80 | |||||
| 30 | 318.7 | 303.75 | 150 | 30 | 55 | 150 | 30 | 80 | |||||
| 31 | 328.8 | 313.85 | 150 | 30 | 55 | 150 | 30 | 80 | |||||
| 32 | 338.9 | 323.91 | 150 | 30 | 55 | 150 | 30 | 80 | |||||
| 33 | 349.0 | 334.01 | 150 | 30 | 55 | 150 | 30 | 80 | |||||
| 34 | 359.1 | 344.10 | 150 | 30 | 55 | 150 | 30 | 80 | |||||
| 35 | 369.2 | 354.20 | 150 | 30 | 55 | 150 | 30 | 80 | |||||
| 36 | 379.2 | 365.30 | 150 | 30 | 55 | 150 | 30 | 80 | |||||
| 37 | 389.3 | 374.39 | 150 | 30 | 55 | 150 | 30 | 80 | |||||
| 38 | 399.4 | 384.49 | 150 | 30 | 55 | 150 | 30 | 80 | |||||
| 39 | 409.5 | 394.59 | 150 | 30 | 55 | 150 | 30 | 80 | |||||
| 40 | 419.6 | 404.66 | 150 | 30 | 55 | 150 | 30 | 80 | |||||
| 42 | 440.8 | 424.88 | 150 | 30 | 55 | 160 | 30 | 90 | |||||
| 45 | 471.1 | 455.17 | 150 | 30 | 55 | 160 | 30 | 90 | |||||
| 48 | 501.4 | 485.46 | 150 | 30 | 55 | 160 | 30 | 90 | |||||
| 50 | 521.6 | 505.65 | 150 | 30 | 55 | 160 | 30 | 90 | |||||
| 54 | 562.0 | 546.07 | 150 | 30 | 55 | 160 | 30 | 100 | |||||
| 57 | 592.3 | 576.36 | 150 | 30 | 55 | 160 | 30 | 100 | |||||
| 60 | 622.6 | 606.65 | 150 | 30 | 55 | 160 | 30 | 100 | |||||
| 76 | 784.3 | 768.32 | 150 | 30 | 70 | 180 | 30 | 100 | |||||
3. ANSI B 120 típusú lánckerék (24A-1-2)
| z | de | dp | SIMPLEX | DUPLEX | ANSI 120 | ||||||||
| dm | D1 | A | Kg | dm | D2 | A | Kg | 24A-1-2 | |||||
| 8 | 113.0 | 99.55 | 58 | 20 | 45 | 58 | 25 | 95 | Sprocket | mm | |||
| 9 | 125.0 | 111.40 | 70 | 20 | 45 | 70 | 25 | 95 | A fog sugara r3 | 40.5 | |||
| 10 | 137.0 | 123.29 | 80 | 20 | 45 | 2.67 | 80 | 25 | 95 | Sugárszélesség C | 4.8 | ||
| 11 | 149.0 | 135.21 | 90 | 25 | 50 | 3.45 | 90 | 25 | 100 | Fogszélesség B1 | 23.5 | ||
| 12 | 161.0 | 147.22 | 102 | 25 | 50 | 4.26 | 102 | 25 | 100 | Fogszélesség b1 | 22.9 | ||
| 13 | 173.0 | 159.18 | 114 | 25 | 50 | 5.22 | 114 | 25 | 100 | Fogszélesség B2 | 68.3 | ||
| 14 | 185.0 | 171.22 | 128 | 25 | 50 | 6.29 | 128 | 25 | 100 | Lánc | mm | ||
| 15 | 197.0 | 183.26 | 132 | 25 | 50 | 7.05 | 132 | 25 | 100 | Hangmagasság | 38.1 | ||
| 16 | 209.0 | 195.30 | 136 | 25 | 55 | 8.41 | 136 | 30 | 100 | Belső szélesség | 25.4 | ||
| 17 | 221.0 | 207.34 | 140 | 25 | 55 | 9.26 | 136 | 30 | 100 | Roller Φ | 22.23 | ||
| 18 | 233.0 | 219.42 | 140 | 25 | 55 | 9.95 | 150 | 30 | 100 |
| |||
| 19 | 245.5 | 231.49 | 140 | 25 | 55 | 10.73 | 160 | 30 | 100 | ||||
| 20 | 257.5 | 243.57 | 140 | 25 | 55 | 11.56 | 160 | 30 | 100 | ||||
| 21 | 270.5 | 255.65 | 150 | 30 | 60 | 160 | 30 | 100 | |||||
| 22 | 282.5 | 267.73 | 150 | 30 | 60 | 160 | 30 | 100 | |||||
| 23 | 294.5 | 279.80 | 150 | 30 | 60 | 160 | 30 | 100 | |||||
| 24 | 307.0 | 291.88 | 150 | 30 | 60 | 160 | 30 | 100 | |||||
| 25 | 319.0 | 304.00 | 150 | 30 | 60 | 17.70 | 160 | 30 | 100 | ||||
| 26 | 331.0 | 316.08 | 150 | 30 | 60 | 160 | 30 | 100 | |||||
| 27 | 343.0 | 328.19 | 150 | 30 | 60 | 160 | 30 | 100 | |||||
| 28 | 355.0 | 340.27 | 150 | 30 | 60 | 160 | 30 | 100 | |||||
| 29 | 367.5 | 352.38 | 150 | 30 | 60 | 160 | 30 | 100 | |||||
| 30 | 379.5 | 364.50 | 150 | 30 | 60 | 160 | 30 | 100 | |||||
| 31 | 391.5 | 376.62 | 150 | 30 | 60 | 160 | 30 | 100 | |||||
| 32 | 403.5 | 388.69 | 150 | 30 | 60 | 160 | 30 | 100 | |||||
| 33 | 415.5 | 400.81 | 150 | 30 | 60 | 160 | 30 | 100 | |||||
| 34 | 428.0 | 412.93 | 150 | 30 | 60 | 160 | 30 | 100 | |||||
| 35 | 440.0 | 425.04 | 150 | 30 | 60 | 30.01 | 160 | 30 | 100 | ||||
| 36 | 452.0 | 437.16 | 150 | 30 | 60 | 160 | 30 | 100 | |||||
| 37 | 464.0 | 449.27 | 150 | 30 | 60 | 160 | 30 | 100 | |||||
| 38 | 476.5 | 461.39 | 150 | 30 | 60 | 160 | 30 | 100 | |||||
| 39 | 488.5 | 473.50 | 150 | 30 | 60 | 160 | 30 | 100 | |||||
| 40 | 501.5 | 485.62 | 150 | 30 | 60 | 160 | 30 | 100 | |||||
| 42 | 525.5 | 509.85 | 150 | 30 | 60 | 180 | 30 | 100 | |||||
| 45 | 562.0 | 546.20 | 150 | 30 | 60 | 180 | 30 | 100 | |||||
| 48 | 598.5 | 582.55 | 150 | 30 | 60 | 180 | 30 | 100 | |||||
| 50 | 622.5 | 606.78 | 150 | 30 | 60 | 180 | 30 | 100 | |||||
| 54 | 671.0 | 655.25 | 150 | 30 | 60 | 180 | 30 | 110 | |||||
| 57 | 707.5 | 691.63 | 150 | 30 | 60 | 180 | 30 | 110 | |||||
| 60 | 745.0 | 727.97 | 150 | 30 | 60 | 180 | 30 | 110 | |||||
| 76 | 939.0 | 921.98 | 150 | 30 | 60 | 200 | 30 | 120 | |||||
| hegesztést jelent-agyon | |||||||||||||
4. ANSI B 140 típusú lánckerék (28A-1-2)
| z | de | dp | SIMPLEX | DUPLEX | ANSI 140 | ||||||||
| dm | D1 | A | Kg | dm | D2 | A | Kg | 28A-1-2 | |||||
| 8 | 132.0 | 116.15 | 74 | 25 | 70 | 74 | 25 | 120 | Sprocket | mm | |||
| 9 | 146.0 | 129.96 | 88 | 25 | 70 | 88 | 25 | 120 | A fog sugara r3 | 47.5 | |||
| 10 | 160.0 | 143.85 | 100 | 25 | 70 | 5.23 | 100 | 25 | 120 | Sugárszélesség C | 5.8 | ||
| 11 | 174.0 | 157.77 | 112 | 25 | 70 | 6.53 | 112 | 25 | 120 | Fogszélesség B1 | 23.5 | ||
| 12 | 188.0 | 171.74 | 125 | 25 | 70 | 8.02 | 125 | 25 | 120 | Fogszélesség b1 | 22.9 | ||
| 13 | 204.0 | 185.75 | 125 | 25 | 70 | 8.72 | 125 | 30 | 120 | Fogszélesség B2 | 71.9 | ||
| 14 | 218.0 | 199.76 | 125 | 25 | 70 | 9.46 | 125 | 30 | 120 | Lánc | mm | ||
| 15 | 232.0 | 213.79 | 125 | 25 | 70 | 145 | 30 | 120 | Hangmagasság | 44.45 | |||
| 16 | 246.0 | 227.84 | 160 | 30 | 75 | 14.65 | 145 | 30 | 120 | Belső szélesség | 25.4 | ||
| 17 | 260.0 | 241.90 | 160 | 30 | 75 | 15.5 | 160 | 30 | 120 | Roller Φ | 25.4 | ||
| 18 | 274.0 | 255.98 | 160 | 30 | 75 | 160 | 30 | 120 |
| ||||
| 19 | 289.0 | 270.06 | 160 | 30 | 75 | 180 | 30 | 120 | |||||
| 20 | 303.0 | 284.15 | 160 | 30 | 75 | 180 | 30 | 120 | |||||
| 21 | 317.0 | 198.24 | 160 | 30 | 75 | 180 | 30 | 120 | |||||
| 22 | 331.0 | 312.34 | 160 | 30 | 75 | 180 | 30 | 120 | |||||
| 23 | 345.0 | 326.44 | 160 | 30 | 75 | 180 | 30 | 120 | |||||
| 24 | 359.0 | 340.55 | 160 | 30 | 75 | 180 | 30 | 120 | |||||
| 25 | 373.0 | 354.66 | 160 | 30 | 75 | 180 | 30 | 120 | |||||
| 26 | 387.0 | 368.77 | 160 | 30 | 75 | 180 | 30 | 120 | |||||
| 27 | 401.0 | 382.88 | 160 | 30 | 75 | 180 | 30 | 120 | |||||
| 28 | 416.0 | 397.00 | 160 | 30 | 75 | 180 | 30 | 120 | |||||
| 29 | 430.0 | 411.12 | 160 | 30 | 75 | 180 | 30 | 120 | |||||
| 30 | 444.0 | 425.24 | 160 | 30 | 75 | 180 | 30 | 120 | |||||
| 31 | 458.0 | 439.37 | 180 | 30 | 75 | 180 | 30 | 120 | |||||
| 32 | 172.0 | 453.49 | 180 | 30 | 75 | 180 | 30 | 120 | |||||
| 33 | 486.0 | 467.62 | 180 | 30 | 75 | 200 | 30 | 120 | |||||
| 34 | 500.0 | 481.75 | 180 | 30 | 75 | 200 | 30 | 120 | |||||
| 35 | 514.0 | 495.88 | 180 | 30 | 75 | 200 | 30 | 120 | |||||
| 36 | 529.0 | 510.01 | 180 | 30 | 75 | 200 | 30 | 120 | |||||
| 37 | 543.0 | 524.13 | 180 | 30 | 75 | 200 | 30 | 120 | |||||
| 38 | 557.0 | 538.27 | 180 | 30 | 75 | 200 | 30 | 120 | |||||
| 39 | 571.0 | 552.40 | 180 | 30 | 75 | 200 | 30 | 120 | |||||
| 40 | 585.0 | 566.54 | 180 | 30 | 75 | 200 | 30 | 120 | |||||
| 45 | 656.0 | 637.22 | 180 | 30 | 75 | 200 | 30 | 120 | |||||
| 50 | 726.0 | 707.91 | 180 | 30 | 75 | 200 | 30 | 120 | |||||
| 57 | 825.0 | 806.90 | 180 | 30 | 75 | 200 | 30 | 120 | |||||
| 60 | 869.0 | 849.32 | 180 | 30 | 75 | 200 | 30 | 130 | |||||
| 76 | 1095.0 | 1075.60 | 180 | 30 | 75 | 200 | 30 | 130 | |||||
5. ANSI B 160 típusú lánckerék (32A-1-2)
| z | de | dp | SIMPLEX | DUPLEX | ANSI 160 | ||||||||
| dm | D1 | A | Kg | dm | D2 | A | Kg | 32A-1-2 | |||||
| 8 | 153.2 | 132.69 | 82 | 25 | 80 | 82 | 30 | 120 | Sprocket | mm | |||
| 9 | 169.0 | 148.54 | 88 | 25 | 80 | 88 | 30 | 120 | A fog sugara r3 | 54 | |||
| 10 | 185.0 | 164.44 | 104 | 25 | 80 | 104 | 30 | 120 | Sugárszélesség C | 7 | |||
| 11 | 200.8 | 180.34 | 120 | 30 | 80 | 120 | 30 | 120 | Fogszélesség B1 | 29.3 | |||
| 12 | 216.8 | 196.29 | 133 | 30 | 80 | 133 | 30 | 120 | Fogszélesség b1 | 28.6 | |||
| 13 | 232.8 | 212.29 | 145 | 30 | 80 | 145 | 30 | 120 | Fogszélesség B2 | 87.5 | |||
| 14 | 248.8 | 228.29 | 145 | 30 | 80 | 145 | 30 | 120 | Lánc | mm | |||
| 15 | 264.8 | 244.30 | 145 | 30 | 80 | 160 | 30 | 120 | Hangmagasság | 50.8 | |||
| 16 | 280.9 | 260.40 | 160 | 30 | 90 | 160 | 30 | 120 | Belső szélesség | 30.99 | |||
| 17 | 296.9 | 276.40 | 160 | 30 | 90 | 180 | 30 | 120 | Roller Φ | 28.58 | |||
| 18 | 313.0 | 292.55 | 160 | 30 | 90 | 180 | 30 | 120 |
| ||||
| 19 | 329.1 | 308.66 | 160 | 30 | 90 | 200 | 30 | 120 | |||||
| 20 | 345.2 | 324.71 | 180 | 30 | 90 | 200 | 30 | 120 | |||||
| 21 | 361.3 | 340.82 | 180 | 30 | 90 | 200 | 30 | 120 | |||||
| 22 | 377.5 | 356.98 | 180 | 30 | 90 | 200 | 30 | 120 | |||||
| 23 | 393.6 | 373.08 | 180 | 30 | 90 | 200 | 30 | 120 | |||||
| 24 | 409.7 | 389.18 | 180 | 30 | 90 | 200 | 30 | 120 | |||||
| 25 | 425.8 | 405.33 | 180 | 30 | 90 | 200 | 30 | 120 | |||||
| 26 | 441.9 | 421.44 | 180 | 30 | 90 | 200 | 30 | 120 | |||||
| 27 | 458.1 | 437.59 | 180 | 30 | 90 | 200 | 30 | 120 | |||||
| 28 | 474.2 | 453.69 | 180 | 30 | 90 | 200 | 30 | 120 | |||||
| 29 | 490.4 | 469.90 | 180 | 30 | 90 | 200 | 30 | 120 | |||||
| 30 | 506.5 | 486.00 | 180 | 30 | 90 | 200 | 30 | 120 | |||||
| 32 | 538.8 | 518.26 | 180 | 30 | 90 | 200 | 30 | 120 | |||||
| 35 | 589.5 | 566.72 | 180 | 30 | 90 | 200 | 30 | 120 | |||||
| 38 | 635.5 | 615.14 | 180 | 30 | 90 | 200 | 30 | 120 | |||||
| 40 | 670.3 | 647.49 | 180 | 30 | 90 | 200 | 30 | 120 | |||||
| 45 | 751.0 | 728.25 | 180 | 30 | 100 | 200 | 30 | 120 | |||||
| 50 | 831.8 | 809.04 | 180 | 30 | 100 | 200 | 30 | 120 | |||||
| 57 | 945.0 | 922.16 | 180 | 30 | 100 | 220 | 30 | 120 | |||||
| 60 | 993.4 | 970.65 | 200 | 30 | 110 | 220 | 30 | 130 | |||||
| 76 | 1252.0 | 1229.30 | 200 | 30 | 110 | 220 | 30 | 130 | |||||
| hegesztést jelent-agyon | |||||||||||||
Népszerű tags: ansi lánckerék lánckerék típusa b 80-160, Kína, gyártók, beszállítók, gyár, Pozitív meghajtó lánckerék, eloxált lánckerék, krómozott lánckerék, öntött lánckerék, gyári lánckerék, lánckerék permetezője

















